- Andrea Vinci, Technical Marketing Manager at Tektronix, explains why the DPO Series 7 oscilloscope meets the requirements of applications such as high-energy physics, signal integrity analysis, high-speed serial bus compliance and debugging, and multichannel RF applications.
- The Tektronix DPO Series 7 oscilloscope, which covers a maximum bandwidth of 25 GHz, digitizes signals at a rate of up to 125 GS/s per channel.
- Its key features include linearity and a low noise floor in the acquisition front end, offering an effective number of bits (ENOB) of 7.5 bits at 8 GHz and 6.5 bits at 25 GHz.
- This oscilloscope also features new measurement analysis tools for jitter, noise and serial data links, as well as the ability to support signal analysis in the RF domain
Engineers involved in high-speed serial design know that when data rates start exceeding 10–16 Gbps, the quality and fidelity of the measurement equipment become a decisive factor in whether signal integrity issues can be accurately diagnosed and characterized. In fact, compromising on the oscilloscope choice and missing out on issues because of that can bring critical consequences such as high measurement uncertainty and adding unnecessary extra margin to the product.
When debugging interconnects, characterizing high-speed channels, or validating compliance to serial standards (PCIe, USB, etc.), the oscilloscope is sometimes confused as a mere observer, when in reality, it becomes part of the measurement system and an extension of the designer’s awareness. As any component in the circuit signal path influences what you observe with its own imperfections and limitations (we shall call them “characteristics”), the same holds true with the oscilloscope. Oscilloscopes and probes load the circuit and act as distortion lenses on signals; the more the lens distorts, the more the designer is fooled by what they see.
Precision Meets Versatility
Tektronix has been working relentlessly with a team of engineers with decades of analog expertise to engineer the best signal path ever with an obsessive focus on noise, distortion and linearity. The result is the new 7 Series DPO, the oscilloscope with an extremely advanced front end input circuitry. This machine has been specifically engineered for improved signal fidelity delivering a high effective number of bits (ENOB) across a bandwidth range between 8GHz and 25GHz. A flat frequency response and several patent-protected design elements in the signal path led to the perfect engineering companion for signal integrity analysis, accurate capture of single-shot events, and multi-channel RF signal analysis. In fact, some of its specifications can directly rival industry-leading Spectrum Analyzers.

The new 7 Series DPO presents an ultra-low-noise front-end so you can see your signal as it really is. From the analog front end to the analog-to-digital conversion stage, efforts have been focused to minimize signal degradation along the signal path, hence minimizing noise impacts that are the cause of distorted waveform acquisition. A 10-bit ADC is combined with a 125GS/s sampling stage for each of the four input channels. Outstanding low random noise, as well as low intrinsic jitter complete this engineering masterpiece.
Signal integrity engineers have very demanding requirements, not all of them affected by the hardware architecture. They often deal with serial data where the clock is embedded (e.g., NRZ or PAM4) and they need software or hardware-based clock recovery and de-embedding for fixtures, probes, and connectors to account for losses in their signal paths. They need tools for conducting full jitter analysis and rapidly retrieving all signal characteristics when validating a PCIe link or a SERDES interface.
Precision is a foundational need, but intuitive application software and user interface have the same importance in order to trust what the measurement equipment presents. For this reason, several trusted tools for jitter analysis and decomposition, primarily used for signal integrity and channel modeling have been redesigned and optimized according to the needs expressed by the most demanding engineers seeking innovation in serial networking architectures.

Embedding and de-embedding components in test paths requires application software that intuitively allows the ability to insert or remove a known or simulated channel (interconnect, cable, connector, via, etc.) into a system model to predict how a device performs under real-world conditions. The 7 Series DPO starts by accurately acquiring signals of interest, then powerful, flexible software tools enable the inclusion of S-parameters within a user-defined workflow, integrating models of components in the signal path. It provides the ability to place test points where virtual probing can occur and real-world measurements can be achieved.
This is critical to successful compliance tests on many high-speed serial technologies. The new 7 Series DPO also features the new QuietChannel™ technology, that applies active equalization to compensate for high-speed signal loss, reducing noise and increasing measurement fidelity and ENOB—even for low-amplitude signals.
Capturing the Invisible Physics Challenges
Signal Integrity is not the only context where oscilloscope noise floor; dynamic range and ENOB are essential. In cutting-edge physics research — from high-energy particle detectors to quantum instrumentation, plasma diagnostics, and ultrafast laser labs — we often deal with extremely fast, high-dynamic-range, single-shot or repetitive pulses. Capturing these signals accurately isn’t just a matter of bandwidth or sample rate. The real challenge is how much usable information we can preserve in the digital domain with regards to their amplitude resolution. The new 7 Series DPO is perfect for resolving sub-nanosecond transitions on mission-critical single-shot events, where efficient digital and analog triggers are critical.
Modern physics research labs, however, still prefer to use the oscilloscope for capturing and digitizing while processing data externally. The 7 Series DPO is designed to enable this via an ultra-fast data transfer with its 10GbE SFP+ port and the support of gRPC protocol through TekHSI™ (High Speed Interface), a high performance, open-source universal Remote Procedure Call (RPC) framework.

From Lab Bench to RF Battlefield
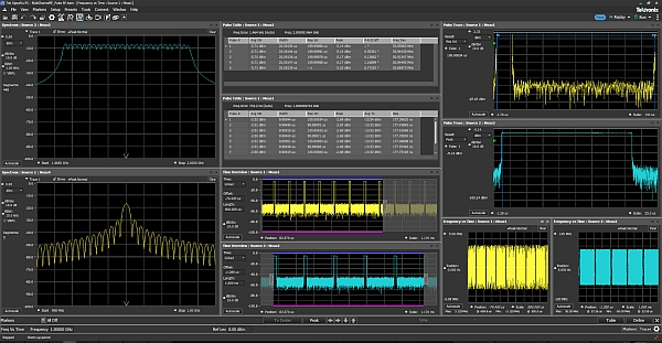
In test scenarios needing to analyze complex radio frequency (RF) systems across multiple domains — time, frequency, modulation, and sometimes even protocol or spatial domains — using multiple synchronized channels, the oscilloscope has become an ideal solution. Application scenarios like MIMO (Multiple-Input, Multiple-Output), beamforming, and phased array radar systems require multichannel RF analysis, capturing and analyzing signals from multiple RF channels simultaneously. High vertical resolution, a low noise floor and precise timing synchronization across channels to correlate behavior are key hardware requirements. The Tektronix 7 Series DPO includes them all and provides true Multi-Domain Analysis in a unified interface called SignalVu-PC. SignalVu-PC enables deep correlation of events across domains and channels; its multi-window, multi-channel layout enables independent control of settings for each channel and synchronized domain views. With SignalVu-PC, the 7 Series DPO becomes an essential tool for validating modern wireless and radar systems when correlated insights on multiple signals are necessary.

Modern oscilloscopes from Tektronix include the award-winning TekScope® user interface. The 7 Series DPO becomes part of this full portfolio approach, adopted by Tektronix to cut learning curves, and puts intuitive tools at the center of system debug and validation activities. The UI looks immediately familiar, and it is great for simplifying complex setup and measurement. Modern engineers are collaborating across regions even more and will benefit from a simplified approach to scripting and automation. The 7 Series DPO supports all Python libraries designed to simplify and standardize the way developers interact with their lab equipment. This is a fundamental enabler for a measurement tool that often works 24/7, either by running long compliance test sessions or digitizing physical phenomena over a long period of time.
The 7 Series DPO is available as standard with an Embedded OS (Windows 10 is optional) and is designed for applications such as high energy physics, signal integrity and high-speed serial compliance and debug, as well as Multi Channel RF. The 7 Series DPO supports up to 125GS/s per channel and a maximum bandwidth of 25GHz.






